RS485 To TTL Module: Schematics, Design, And Implementation

N.Nodeup 105 views
RS485 To TTL Module: Schematics, Design, And Implementation

RS485 to TTL Module: Schematics, Design, and Implementation

Hey guys! Ever wondered how to get your devices talking to each other over long distances or in noisy environments? Well, RS485 to TTL modules are your best friends in those situations. They act as translators, converting signals between RS485 and TTL (Transistor-Transistor Logic) levels. In this article, we’ll dive deep into RS485 to TTL module schematics , design considerations, and how to implement them. It’s like a crash course for electronics enthusiasts, DIYers, and anyone looking to understand this crucial communication protocol. We’ll break down the components, explain the signal conversions, and give you the knowledge to build or troubleshoot your own RS485 to TTL interfaces. Buckle up, because we are getting technical!

Understanding RS485 and TTL

Before we jump into the RS485 to TTL module schematic , let’s get our basics straight. Understanding the difference between RS485 and TTL is crucial. RS485 is a balanced, differential transmission system perfect for long distances and environments with electrical noise. It uses two wires for data transmission, with signals representing the difference in voltage between the two wires, not their absolute voltage. This differential signaling is what makes RS485 so robust against noise. It can handle up to 4000 feet of cable and multiple devices on a single bus. It’s like the workhorse of industrial communication, used in everything from building automation to factory control systems.

On the other hand, TTL is a single-ended, logic-level system. TTL uses a single wire for the signal and refers to the voltage with respect to ground. TTL is the standard for most digital integrated circuits. TTL signals use 0V for logic low and +5V for logic high. It’s the go-to protocol for your microcontrollers and other digital circuits, but it’s not designed for the same level of noise immunity or distance as RS485. TTL is great for simple, short-distance communication within a device or between closely connected boards. When you need to send data further or in a more challenging environment, that is when you need an RS485 to TTL module . These modules bridge the gap between TTL and RS485, allowing you to connect TTL-based microcontrollers or other digital circuits to an RS485 network. They are essential components in any system where you need the benefits of both communication protocols. Therefore, the RS485 to TTL module schematic is the key component to understanding how the data is translated.

Key Components of an RS485 to TTL Module and RS485 to TTL Module Schematic

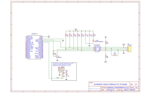
Alright, let’s get into the nitty-gritty of the RS485 to TTL module schematics ! These modules typically consist of a few key components. At the heart of most modules, you’ll find an RS485 transceiver. This is the main chip that handles the conversion between TTL and RS485 signal levels. Common transceivers include the MAX485, SN75176, or similar. Then, there are pull-up and pull-down resistors. These are used to ensure that the RS485 lines are at a known voltage level when no data is being transmitted. This prevents floating signals and ensures proper communication.

Besides these, you’ll usually find a few capacitors for power supply filtering, which helps to stabilize the voltage and reduce noise. Some modules also include optocouplers for galvanic isolation, which provides electrical isolation between the TTL and RS485 sides, protecting your circuits from voltage spikes and ground loops. The RS485 to TTL module schematic will show you the exact connections of these components. The transceiver chip is the star of the show. It takes the TTL input from your microcontroller (0-5V logic levels) and converts it to the differential signals required by RS485. And, of course, the reverse happens as well: The transceiver receives the differential signals from the RS485 bus and converts them into TTL levels that your microcontroller can understand. Pull-up and pull-down resistors are critical for biasing the RS485 lines when no data is being transmitted. These resistors ensure that the data lines stay in a defined state, preventing floating inputs and providing reliable communication. Capacitors are sprinkled throughout the design to filter the power supply, which is important for clean and stable operation. Optocouplers (if present) are used to isolate the TTL and RS485 sides, which can protect your microcontrollers from any voltage spikes. You’ll also see some connectors. These are where you will connect your TTL device and the RS485 bus to the RS485 to TTL module .

Step-by-Step Guide to Understanding a Typical RS485 to TTL Module Schematic

Let’s break down a typical RS485 to TTL module schematic step-by-step. First, identify the RS485 transceiver. It’s usually the largest chip on the module. Look for the pinout and how it connects to the RS485 bus. The RS485 bus typically uses two wires, labeled A and B (sometimes + and -). These are the differential signal lines. The transceiver’s A and B pins connect to these lines. Also, check for the direction control pin (DE or RE). This pin controls whether the transceiver is in transmit or receive mode. Often, this is controlled by a digital output pin from the microcontroller. Pay attention to the TTL side. This is where your microcontroller connects. The module will have pins for TTL input (DI - Data Input), TTL output (RO - Data Output), VCC (power), and GND (ground). You will connect the DI pin to a digital output of your microcontroller and the RO pin to a digital input of your microcontroller. Then, find the pull-up and pull-down resistors. These are usually connected to the RS485 A and B lines. They help define the idle state of the RS485 bus.

Then, locate the power supply connections. The module will typically require +5V or +3.3V power. Make sure you connect the power supply correctly. Also, review the signal flow. When your microcontroller sends data, the data goes from the microcontroller (TTL) to the DI pin on the module. The transceiver converts this TTL signal to differential RS485 signals, which are then transmitted on the RS485 bus. When the module receives data from the RS485 bus, it is converted from RS485 signals to TTL. The output is sent to the RO pin, which goes to a digital input on your microcontroller. Finally, check for any special features, like optocouplers or termination resistors. Optocouplers provide electrical isolation, while termination resistors help to reduce signal reflections on the RS485 bus, especially over long distances. Reading and understanding the RS485 to TTL module schematic is like understanding the secret language of your module. The schematic is the roadmap. It shows you the connections, the components, and how everything works together.

Design Considerations for RS485 to TTL Modules

Designing a reliable RS485 to TTL module requires careful consideration of several factors. First of all, let’s talk about the transceiver selection . Choose a transceiver that meets your speed and voltage requirements. For general use, the MAX485 is a popular and cost-effective choice. Next, consider the termination . For long cable runs, add a 120-ohm termination resistor at both ends of the RS485 bus. This reduces signal reflections and improves signal integrity. Always use the right cable . Use shielded, twisted-pair cable for your RS485 connections. This minimizes noise and improves signal reliability. Also, make sure to include power supply filtering . Add capacitors close to the transceiver to filter the power supply and provide a stable voltage. Then, think about galvanic isolation . If you need to protect your circuits from electrical noise or ground loops, consider using optocouplers to provide galvanic isolation between the TTL and RS485 sides. Next, consider the data rate . Ensure the transceiver supports the data rate you need. Slower data rates are generally more reliable over longer distances. It is also good practice to consider the bus topology . RS485 is typically used in a multi-drop configuration, where multiple devices share the same bus. Ensure you follow the correct wiring for your chosen topology.

Also, consider ESD protection . Protect your module from electrostatic discharge (ESD). Use ESD protection diodes on the RS485 lines to prevent damage from static electricity. Remember the pinout . Double-check all pinouts and connections before connecting anything. A mistake can fry your components. And finally, think about communication protocols . Determine how your devices will communicate. You’ll likely need a protocol to manage the data transmission and reception. Making these design choices will help you build a robust and reliable RS485 to TTL module for your specific application. The right design choices will prevent you from experiencing issues in the future.

Implementing Your Own RS485 to TTL Module

Building your own RS485 to TTL module can be a rewarding project! You’ll need a few components, including an RS485 transceiver (like the MAX485), resistors (pull-up and pull-down), capacitors, connectors, a small PCB (or perfboard), and a soldering iron. Gather your components. Start by gathering all the components. Make sure you have the correct values for your resistors and capacitors. You can use the RS485 to TTL module schematic for reference. Then, lay out your components. Arrange the components on the PCB or perfboard. Refer to the schematic to ensure proper placement and connections. Next, solder your components. Solder the components to the PCB or perfboard. Be careful to avoid solder bridges and ensure all connections are secure. Then, wire the connections. Wire the TTL side to your microcontroller and the RS485 side to your RS485 bus. Also, consider power. Make sure you connect the power supply correctly. Also, test the module. Before connecting your module to any sensitive equipment, test it with a simple setup. And finally, troubleshoot. If the module isn’t working, check your connections, power supply, and code. Use a multimeter to verify voltage levels. Remember, building your own module is a learning experience. You might encounter challenges, but troubleshooting is part of the process. With patience and attention to detail, you can build a working RS485 to TTL module tailored to your needs.

Troubleshooting Common Issues

Troubleshooting an RS485 to TTL module can sometimes feel like solving a puzzle, but with a systematic approach, you can identify and fix most issues. Start with power and connections. First, check all power supply connections and verify that the module is receiving the correct voltage. Make sure the wiring on both the TTL and RS485 sides is correct. Make sure that the wiring is correct according to the RS485 to TTL module schematic . Next, test the communication. Use a multimeter to test the communication and check the signals on the RS485 bus to make sure the signals are as they should be. Then, confirm the baud rate. Ensure that the baud rate settings on both your microcontroller and the RS485 device match. If they don’t match, you’ll see errors. Then, check the termination resistors. Make sure that the termination resistors are in place and are the correct values (typically 120 ohms) for your cable length and setup. Double-check your code. Review your microcontroller code for any errors, especially in the data transmission and reception sections. Then, examine the noise. If you’re experiencing communication errors in a noisy environment, try using shielded cables and improving your grounding. Also, verify the ground. Ensure that all devices share a common ground connection. A missing or poor ground can cause communication issues. You can also try to isolate the problem. If you’re still facing issues, try isolating the module by connecting it directly to a known working RS485 device. Then, consult the documentation. Always refer to the datasheets and documentation for the RS485 transceiver and your microcontroller for specific troubleshooting tips. Troubleshooting is all about isolating problems and systematically checking each element in your setup. By following these steps and referring to your RS485 to TTL module schematic , you can usually find the root cause of your issues and get your communication up and running smoothly.

Conclusion

So there you have it, guys! We’ve covered the ins and outs of RS485 to TTL modules , from understanding the basics to the design considerations, to building and troubleshooting your own modules. With the knowledge of the RS485 to TTL module schematic , you should be able to get your devices communicating over any distance. RS485 is a valuable tool for anyone working with electronics, and understanding these modules can open up a world of possibilities for your projects. Keep experimenting, keep learning, and keep building. Until next time, happy tinkering! Remember to always refer back to your RS485 to TTL module schematic and good luck!