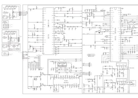
Polytron TV HBT-01-01G IC Program Repair Guide

N.Nodeup 20 views
Polytron TV HBT-01-01G IC Program Repair Guide

Polytron TV HBT-01-01G IC Program Repair Guide

Hey guys, ever had your trusty Polytron TV suddenly go kaput, showing weird symptoms like a blank screen, no power, or perhaps some bizarre visual glitches? Don’t freak out just yet! A common culprit behind these issues, especially with models like the Polytron TV HBT-01-01G , is often a faulty IC program chip. This tiny component, sometimes referred to as the memory chip or EEPROM, holds all the crucial settings and operational codes for your TV. When it gets corrupted or fails, your TV essentially forgets how to work. But fear not, because in this guide, we’re going to dive deep into understanding the IC program TV Polytron HBT-01-01G , how to identify if it’s the problem, and what steps you can take to get your beloved television back to its former glory. We’ll cover everything from recognizing the symptoms to the actual repair process, making it as easy to understand as possible. So, grab your tools, maybe a cup of your favorite beverage, and let’s get this Polytron TV humming again!

Understanding the IC Program in Your Polytron TV

Alright, let’s get down to the nitty-gritty, guys. What exactly is this IC program TV Polytron HBT-01-01G we’re talking about? Think of it as the brain of your TV, specifically its short-term and long-term memory. This little integrated circuit (IC) chip stores all the vital information that tells your TV how to function. This includes things like the channel memory, picture settings (brightness, contrast, color), sound settings, factory defaults, and even the firmware that runs the TV’s operating system. When you power on your TV, it reads the information from this IC program to boot up correctly. If this chip is damaged, corrupted, or just plain worn out, the TV won’t be able to access this essential data, leading to the frustrating problems we often see. For the Polytron TV HBT-01-01G , this specific IC program chip plays a pivotal role. It’s the central hub for all operational data. Without it functioning correctly, the TV might not even turn on, or it could exhibit a range of malfunctions. We’re talking about symptoms like the TV not responding to the remote, a distorted picture, sound issues, or sometimes it might just boot into a loop, showing the Polytron logo repeatedly without actually starting up. It’s crucial to understand that this isn’t always a catastrophic failure of the main processor; often, it’s just this memory chip that’s acting up. This is good news because replacing a memory chip is usually much simpler and cheaper than replacing the entire mainboard. So, when you’re troubleshooting your Polytron TV, especially if it’s behaving erratically, always keep the IC program TV Polytron HBT-01-01G in mind as a prime suspect. It’s the unsung hero (or sometimes the villain!) of your TV’s operational integrity. Let’s explore why it might fail and how you can spot the signs.

Symptoms of a Failing IC Program

So, how do you know if the IC program TV Polytron HBT-01-01G is the one causing your headache? There are several tell-tale signs, guys, and recognizing them is the first step to a successful repair. One of the most common symptoms is a completely blank screen even though the TV is receiving power. You might see the power indicator light come on, but nothing appears on the screen – no logo, no picture, nothing. Another classic sign is no response to the remote control or the physical buttons on the TV. It’s like the TV is deaf and blind to your commands. Sometimes, the TV might power on and off erratically , cycling through startup and shutdown sequences without settling. You might also notice persistent error messages or diagnostic codes flashing on the screen, if you can see anything at all. A particularly frustrating issue is when the TV gets stuck on the startup logo – you’ll see the Polytron logo appear, but it never progresses to showing a picture or menu. This indicates that the initial boot-up sequence, which relies heavily on the IC program, is failing. Picture and sound problems can also be linked, though less directly. If your TV has strange visual artifacts, incorrect colors, or distorted sound that doesn’t seem related to the input source, a corrupted IC program could be the root cause. It’s important to differentiate these symptoms from issues with other components like the power supply or the display panel itself. However, if you’re experiencing a combination of these issues, particularly the inability to boot or respond to controls, the IC program TV Polytron HBT-01-01G is a very strong candidate. It’s like the TV’s operating system has crashed, and it can’t recover because its core instructions are garbled or missing. Paying close attention to these symptoms will help you narrow down the problem and avoid unnecessary component replacements. Remember, guys, these symptoms are the TV’s way of telling you something is wrong with its ‘memory,’ and the IC program is the most likely place to look.

Troubleshooting and Identifying the Faulty IC Program

Okay, so you’ve observed some of the symptoms we just discussed. Now what? It’s time to get our hands dirty and do some troubleshooting to confirm if the IC program TV Polytron HBT-01-01G is indeed the culprit. The first and most basic step is to try a power cycle . Unplug the TV from the wall socket, wait for at least a minute (some suggest even longer, like 5-10 minutes, to completely discharge any residual power), and then plug it back in. Press the power button. Sometimes, a simple power cycle can clear temporary glitches in the IC program. If that doesn’t work, and you’re comfortable doing so, the next step involves opening up the TV . Disclaimer: Always ensure the TV is unplugged before you open it. Be careful of capacitors, which can hold a dangerous electrical charge even when the TV is off. Once you’ve safely opened the back panel, you’ll need to locate the mainboard. The IC program TV Polytron HBT-01-01G is usually a small, rectangular chip soldered onto this mainboard. It often has a label on it, sometimes with a part number. Look for chips that are smaller than the main processor and might have labels like “EEPROM,” “Serial Flash,” “Memory,” or a specific part number. Sometimes, the datasheet for the mainboard can help you identify it, but often, visual inspection is enough for experienced technicians. Another troubleshooting method, particularly for technicians, involves using a programmer tool . These specialized devices can read the data from the IC program chip. If the programmer cannot read the chip, or if it reads corrupted data, it’s a strong indicator that the chip has failed. You can also try to re-flash the firmware if you have the correct firmware file for your specific Polytron model and the necessary equipment (like a universal programmer). If the re-flashing process fails or completes but the TV still exhibits the same symptoms, it further points to a hardware failure of the IC program itself. Sometimes, a visual inspection of the chip and its surrounding area can reveal signs of damage, such as burn marks or bulging capacitors nearby, although the chip itself might look perfectly fine externally. The key here is systematic elimination . Rule out other potential issues like loose connections, power supply problems, or faulty T-con boards before concluding that the IC program is the fault. But if the symptoms strongly suggest a memory or firmware issue, and basic troubleshooting fails, the IC program TV Polytron HBT-01-01G is where your focus should be. Remember, guys, identifying the problem correctly saves you time and money!

The Role of EEPROM/Flash Memory Chips

Let’s zoom in on the specific type of chip we’re usually dealing with when we talk about the IC program TV Polytron HBT-01-01G : the EEPROM or Flash Memory chip. These are non-volatile memory chips, meaning they retain their stored information even when the power is turned off. This is absolutely critical for a TV, as it needs to remember your settings, channel list, and startup instructions every time you switch it on. EEPROM (Electrically Erasable Programmable Read-Only Memory) and Flash memory are quite similar in function for this application. Flash memory is essentially a more modern and often higher-capacity evolution of EEPROM. They store the TV’s firmware, which is the low-level software that controls the hardware components and executes basic functions. Think of it as the TV’s operating system’s core. When your Polytron TV powers on, the main processor fetches instructions from this IC program TV Polytron HBT-01-01G chip to initiate the boot-up sequence. If the data within this chip is corrupted – perhaps due to a power surge, a failed firmware update, or simply wear and tear over time – the TV won’t know how to start. This is why you might see the symptoms we discussed earlier, like the TV getting stuck on the logo or refusing to power on at all. For the Polytron TV HBT-01-01G , this chip is indispensable. It’s where the TV stores its unique identification codes, calibration data for the panel, and the user preferences you’ve set. A failure in this chip means the TV essentially loses its identity and its instructions. Sometimes, the data in these chips can become disorganized or corrupted, not necessarily due to a physical defect, but due to software errors. This is where the concept of re-flashing comes in. If you can get a clean copy of the firmware for your specific model and write it back to the chip, you might be able to restore its functionality. However, if the chip itself is physically damaged – maybe it’s burned, cracked, or its internal circuitry has failed – then re-flashing won’t help, and the chip will need to be replaced. Understanding that these are memory storage devices is key to diagnosing the issue. It’s not usually the main processor that’s failed, but the storage medium it relies on. So, when troubleshooting your Polytron TV HBT-01-01G , remember you’re likely dealing with a memory-related problem, and the EEPROM or Flash chip is the prime suspect.

Repairing the IC Program: Step-by-Step

Alright, guys, we’ve identified the likely culprit: the IC program TV Polytron HBT-01-01G . Now, let’s talk about how to actually fix it. There are generally two main approaches: reprogramming the existing chip or replacing it entirely. The best method depends on the nature of the failure and your available tools and skills. Approach 1: Reprogramming the IC Program (Re-flashing)

This is often the preferred method if the chip is physically intact but the data within it is corrupted. You’ll need a few things:

  1. A Universal Programmer: This is a specialized device that can read from and write to various types of memory chips. You’ll connect the chip to the programmer (often using an adapter clip).
  2. The Correct Firmware File: This is crucial! You need the exact firmware file (.bin, .rom, etc.) for your specific Polytron TV HBT-01-01G model. Searching online forums, service manuals, or dedicated firmware sites is usually the way to go. Be absolutely certain you have the correct file , as using the wrong one can permanently brick your TV.
  3. A Computer: To run the programmer software and load the firmware file.

The Process:

  • Safely remove the mainboard from the TV (remember to unplug it first!).
  • Locate the IC program TV Polytron HBT-01-01G chip. Sometimes you can desolder it for easier access, but many programmers have clips that allow you to program it while it’s still soldered to the board (though desoldering often ensures a better connection).
  • Connect the chip to your universal programmer.
  • Using the programmer’s software, read the existing data (as a backup, just in case).
  • Load the correct firmware file into the software.
  • Initiate the writing/flashing process. Monitor the software for success or failure messages.
  • Once flashing is complete, carefully disconnect the chip from the programmer.
  • If desoldered, re-solder the chip back onto the mainboard. If you used a clip, ensure it’s removed cleanly.
  • Reassemble the TV and test.

Approach 2: Replacing the IC Program Chip

If the chip is physically damaged (burned, cracked) or if reprogramming fails to resolve the issue, replacement is necessary. This is a more advanced repair.

  1. Identify the Chip Part Number: Carefully read the part number printed on the IC program TV Polytron HBT-01-01G chip. You’ll need to source an exact replacement or a compatible alternative.
  2. Source the Replacement Chip: Order the chip from reputable electronics component suppliers.
  3. Desolder the Old Chip: This requires a soldering iron and preferably a desoldering tool (like a hot air station or desoldering braid) to carefully remove the old chip without damaging the surrounding components or the PCB traces.
  4. Solder the New Chip: Carefully position the new chip and solder it in place, ensuring all pins are properly connected and there are no solder bridges.
  5. Program the New Chip (if necessary): Crucially , most replacement IC program chips come blank. You will likely need to program the new chip with the correct firmware before or immediately after soldering it, using the same reprogramming method described in Approach 1. Some specialized suppliers might offer pre-programmed chips, but verify this when ordering.
  6. Reassemble and Test: Put everything back together and see if your Polytron TV springs back to life.

Important Considerations, Guys:

  • Static Discharge (ESD): Always use an anti-static wrist strap when handling electronic components to prevent damage from static electricity.
  • Soldering Skills: If you’re not comfortable with soldering, especially with small surface-mount components, it’s best to seek professional help or practice on scrap boards first.
  • Service Manuals: If you can find the service manual for your specific Polytron TV HBT-01-01G model, it will be invaluable. It often contains board diagrams, chip locations, part numbers, and sometimes even firmware files.

Repairing the IC program chip can seem daunting, but with the right tools, information, and a bit of patience, it’s a very achievable repair for many.

Professional Help vs. DIY

Now, the big question for many of you, guys: should you tackle this IC program TV Polytron HBT-01-01G repair yourself, or is it time to call in the pros? It really boils down to a few key factors: your comfort level with electronics, the tools you have available, and the value you place on your time versus the cost of a professional repair.

DIY Advantages:

  • Cost Savings: This is usually the biggest driver. If you can do it yourself, you save on labor costs, which can be significant.
  • Learning Experience: It’s a fantastic way to learn more about how your TV works and gain valuable troubleshooting and repair skills.
  • Satisfaction: There’s a unique sense of accomplishment that comes from fixing something yourself.

DIY Challenges:

  • Requires Specific Tools: As we’ve discussed, you might need a universal programmer, soldering equipment (especially if replacing the chip), and potentially specialized diagnostic tools.
  • Risk of Further Damage: If you’re not careful, you could accidentally damage the mainboard further, or even injure yourself, especially if dealing with live components or improper soldering techniques.
  • Time Investment: Finding the right firmware, sourcing parts, and performing the repair can be time-consuming.
  • Finding the Right Parts/Firmware: For older or less common models like some Polytron TVs, locating the exact firmware or a compatible replacement chip can be a real challenge.

Professional Help Advantages:

  • Expertise and Experience: Technicians have the knowledge and experience to diagnose problems quickly and accurately. They know what to look for and how to handle delicate components.
  • Proper Tools: They have all the necessary professional-grade tools, saving you the expense of buying them for a one-off repair.
  • Warranty: Many repair shops offer a warranty on their work, giving you peace of mind.

Professional Help Challenges:

  • Cost: Professional repairs will almost always cost more than a DIY attempt due to labor and parts markup.
  • Turnaround Time: Depending on the shop’s workload, it might take time to get your TV back.

When to Lean Towards DIY:

If you already have some experience with electronics repair, own a basic soldering iron, and are comfortable following instructions precisely, attempting to reprogram the IC program TV Polytron HBT-01-01G might be a good starting point. The risk is often lower than full chip replacement.

When to Call a Professional:

If you’re completely new to electronics, don’t have the necessary tools, or if the TV is a very expensive or modern unit where a mistake could be costly, professional help is the safer bet. Also, if you’ve tried DIY and failed, it’s time to admit defeat and hand it over to someone who can get the job done.

Ultimately, weigh the risks, costs, and your own capabilities. For many, especially those looking to save money on a Polytron TV, a DIY attempt at addressing the IC program TV Polytron HBT-01-01G issue can be rewarding, but always proceed with caution, guys!

Conclusion: Breathing New Life into Your Polytron TV

So there you have it, guys! We’ve journeyed through the world of the IC program TV Polytron HBT-01-01G , understanding its vital role, recognizing the frustrating symptoms of its failure, and exploring the pathways to repair. Whether you’re contemplating a DIY reprogramming adventure or deciding to trust the expertise of a professional, the key takeaway is that a malfunctioning IC program doesn’t always mean the end of your beloved Polytron TV. These memory chips, often EEPROM or Flash types, are the unsung heroes holding the operational blueprint of your television. When they falter, the symptoms can range from a completely unresponsive screen to bizarre glitches that make viewing a chore. But by systematically troubleshooting, identifying the specific chip, and choosing the right repair approach – reprogramming or replacement – you can often bring your TV back from the brink.

Remember the importance of safety first : always unplug your TV before opening it up and be mindful of potential electrical charges. If you decide to go the DIY route, investing in a good universal programmer and finding the exact firmware file for your Polytron TV HBT-01-01G are paramount. If physical replacement is needed, ensure you have the skills for delicate soldering work and, critically, that the new chip is programmed correctly before or after installation. For those less inclined or equipped for the task, professional repair services offer a reliable, albeit more costly, solution.

Ultimately, fixing the IC program TV Polytron HBT-01-01G is often a more accessible repair than many people assume. It’s a testament to the modular design of modern electronics, where specific components can be targeted for repair. So, don’t give up on your Polytron TV just yet! With the right knowledge and a bit of effort, you can quite possibly restore its functionality and continue enjoying your favorite shows. Happy troubleshooting, everyone!