Mastering Oscillation Control In Multi-Stage Hydraulic Systems

N.Nodeup 32 views
Mastering Oscillation Control In Multi-Stage Hydraulic Systems

Mastering Oscillation Control in Multi-Stage Hydraulic Systems

Hey guys, let’s dive deep into the nitty-gritty of controlling oscillations in multi-stage hydraulic systems . You know, those pesky vibrations that can wreak havoc on your machinery? We’re talking about those unwanted movements that can lead to decreased efficiency, premature wear, and even catastrophic failures if left unchecked. In the complex world of hydraulics, especially when you’re dealing with multiple stages working in tandem, maintaining stability is absolutely paramount . Think of it like juggling – keep too many balls in the air, and one’s bound to drop, right? Well, in hydraulics, that ‘dropped ball’ can mean serious downtime and hefty repair bills. That’s why understanding and implementing effective oscillation control strategies isn’t just a good idea; it’s a critical component of ensuring the longevity and optimal performance of your hydraulic equipment. We’ll be exploring the why behind these oscillations, the how they manifest, and most importantly, the solutions that keep your systems running smoothly and reliably. So, buckle up, because we’re about to embark on a journey to tame those hydraulic beasts!

Understanding the Roots of Hydraulic Oscillations

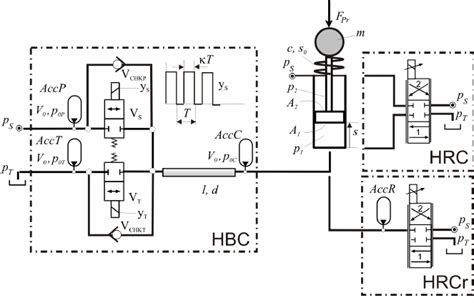
So, what exactly causes these annoying oscillations in multi-stage hydraulic systems , you ask? Well, it’s usually a combination of factors, and understanding these root causes is the first step towards conquering them. Think of a multi-stage system as a series of interconnected ‘dominoes’ – if one starts wobbling, it can easily tip over the next, creating a chain reaction. One of the primary culprits is system resonance . Every hydraulic component, from the pump to the actuators, has its own natural frequency. When the operating frequency of the system, or external forces, matches these natural frequencies, boom – you get resonance, leading to amplified oscillations. Another major player is fluid compressibility . While hydraulic fluid is often thought of as incompressible, it actually has a degree of compressibility, especially under high pressure or when air gets trapped within it. This compressibility acts like a spring, storing and releasing energy, which can easily lead to oscillations. Don’t underestimate the impact of air bubbles! Even small amounts can significantly alter the fluid’s properties and introduce instability. Then we have pressure fluctuations . In a multi-stage system, the pressure in one stage directly impacts the next. If there are rapid or irregular pressure changes, perhaps due to valve spool movement, pump pulsations, or sudden load changes, these disturbances can propagate through the system, causing oscillations. Mechanical stiffness also plays a role. If the structural components of your system aren’t rigid enough, they can flex and vibrate, exacerbating any hydraulic-induced oscillations. Finally, control system dynamics are often overlooked. The algorithms and response times of your control valves, sensors, and controllers can, if not properly tuned, actually induce or amplify oscillations rather than dampen them. It’s a delicate balancing act, and a poorly tuned control loop can be a recipe for disaster. So, when troubleshooting, always consider the interplay between fluid dynamics, component characteristics, system stiffness, and control logic. It’s rarely just one thing; it’s usually a symphony of interacting elements.

Identifying and Diagnosing Oscillation Problems

Alright, so we know why oscillations happen, but how do we actually spot them and figure out what’s going on? Identifying and diagnosing oscillation problems in multi-stage hydraulic systems can sometimes feel like being a detective, piecing together clues from symptoms and data. The most obvious sign, of course, is audible noise . You might hear whining, buzzing, or rattling sounds that weren’t there before, especially under certain operating conditions. This is your system’s way of screaming for attention! Beyond just listening, visual inspection is crucial. Look for excessive vibration in pipes, hoses, and components. Are cylinders shaking uncontrollably? Are there signs of fluid leakage that might indicate pressure spikes or component stress? Often, these vibrations can be felt through the machine’s structure. Performance degradation is another major indicator. Is your machine sluggish? Is it failing to reach desired speeds or pressures? Is its operation jerky or inconsistent? These are all classic signs that something is amiss, and oscillations could be the underlying cause. For a more scientific approach, instrumentation is your best friend. Using pressure transducers, accelerometers, and flow meters to collect real-time data is invaluable. By plotting pressure and acceleration over time, you can often visualize the oscillatory patterns. Look for sinusoidal (wave-like) pressure fluctuations or rapid spikes and drops. Frequency analysis can be particularly powerful here, helping you identify the dominant frequencies of the oscillations, which can then be correlated with the natural frequencies of your system components. Troubleshooting charts and flow diagrams can also guide your diagnosis, helping you systematically eliminate potential causes. Start by isolating different parts of the system. Can you pinpoint the oscillation to a specific stage, valve, or pump? Testing components individually or in smaller sub-systems can help narrow down the source. Don’t forget to check your fluid condition , too! Contaminated fluid or incorrect fluid levels can contribute to or exacerbate oscillations. Ultimately, a combination of keen observation, methodical testing, and a good understanding of hydraulic principles will lead you to the source of the problem. It’s about being systematic and not jumping to conclusions. Think of it as a puzzle, and each piece of evidence brings you closer to the solution.

Effective Strategies for Oscillation Control

Now for the good stuff, guys: how do we actually control oscillations in multi-stage hydraulic systems and keep things running like a dream? This is where we implement the solutions. One of the most direct methods is system design and component selection . During the design phase, engineers can carefully select components with appropriate damping characteristics and avoid operating points that coincide with natural frequencies. Using components with inherently lower stiffness or incorporating flexible connections can help detune the system from resonant frequencies. Another key strategy involves fluid condition management . Ensuring the hydraulic fluid is clean, free from contaminants, and properly de-aerated is fundamental. Air in the system is a major oscillation instigator , so regular maintenance, proper bleeding procedures, and the use of de-aeration systems can make a world of difference. Optimizing control system parameters is also critical. This involves fine-tuning the gains and response rates of your control valves and electronic controllers. Sometimes, simply adjusting a few settings can dramatically improve stability. Implementing PID (Proportional-Integral-Derivative) controllers with carefully tuned parameters can effectively dampen oscillations by anticipating and counteracting deviations from the desired setpoint. Adding damping elements is another common approach. This can include installing accumulators, which act as hydraulic shock absorbers, smoothing out pressure pulses. Snubbers or restrictors can also be used to limit the rate of pressure changes, thereby reducing the energy available to drive oscillations. In some cases, modifying system stiffness might be necessary, although this can be a more involved modification. This might involve reinforcing structural elements or altering mounting configurations to shift natural frequencies away from operating frequencies. Finally, operating procedures and load management play a role. Avoiding sudden changes in load or operating speed can help prevent the excitation of oscillations. Understanding the operating envelope of your system and staying within stable parameters is key. It’s often a multi-pronged approach, combining several of these strategies, that yields the best results. The goal is to minimize energy sources that drive oscillations while maximizing damping and stability. Remember, a stable system is a happy and productive system!

As we push the boundaries of what hydraulic systems can do, we also need to develop more sophisticated ways to manage issues like oscillation control in multi-stage hydraulic systems . This is where advanced techniques and future trends come into play, pushing the envelope of efficiency and reliability. One of the most exciting areas is the application of advanced control algorithms . Beyond traditional PID, we’re seeing the rise of techniques like Model Predictive Control (MPC) , which uses a mathematical model of the system to predict future behavior and proactively adjust control actions to prevent oscillations before they even start. This is like having a crystal ball for your hydraulics! Machine learning and AI are also starting to make inroads. By analyzing vast amounts of operational data, AI can learn the unique patterns of a specific system and identify subtle precursors to oscillations, allowing for predictive maintenance and adaptive control strategies. Imagine your system learning to self-correct! Digital twins are another burgeoning trend. Creating a virtual replica of your physical system allows engineers to simulate different operating conditions and test various control strategies for oscillation suppression without risking damage to the actual hardware. This is invaluable for design optimization and real-time performance tuning. Smart sensors and distributed sensing networks are enabling more granular monitoring of system parameters. Instead of just a few key sensors, we can have a dense network providing detailed, real-time feedback, allowing for highly localized oscillation detection and mitigation. Variable speed drives (VSDs) for pumps are also becoming more prevalent. By precisely controlling pump speed, operators can avoid excitation of resonant frequencies and optimize energy consumption, which is a win-win. Furthermore, research into novel fluid properties and additives continues. Developing fluids with enhanced damping characteristics or better resistance to aeration could inherently reduce oscillation potential. The future of hydraulic oscillation control is looking smarter, more predictive, and more automated. It’s all about leveraging data, computational power, and innovative design to achieve unprecedented levels of stability and performance. The goal is to move from reactive fixes to proactive, intelligent management of these complex systems. It’s a dynamic field, and staying updated on these advancements is key for anyone serious about hydraulic system performance.